基本参数
- 产地广东
- 品牌
- 产品型号
- 产品操作
- 产品应用范围
- 产品材料等级
- 产品表面处理
- 品牌东莞市博易盛电子科技有限公司
- 型号PBT-1200T
- 类型其他
- 移动方式轮式
- 加工定制是
- 适用钢网尺寸1200*1200*40 超大尺寸可定制
- 液箱容积150L
- 清洗方式360度旋转式液体喷淋清洗及压缩空气干燥
- 机器净重约230KG
- 机器尺寸1450*1000*2030
产品简介:
产品详情:“PBT-1200丝网清洗机”的主要功能:
→全不锈钢阀体:美观,耐磨损,耐腐蚀,酸性,碱性等清洁液。合乎环保要求和标准;
→全气动运行,无须用电,从未火警等安全隐患,并且已通过欧盟安标认证;
→特别用以清洗印刷油墨,胶水,浆叶等;
→清洁+冲洗过程保证清洁度,并且可以在面板压力表上显示液体压力;
→清洁面大,适当置于47“*47”的筛网;
→清洗压力可独立自主调节,适用于任何物料网;
→奇特的s型排气设备设计,下降了液体消耗;
→设备使用精密的六级100um---10um过滤系统和溶剂回收利用;
→人性化设计:一键式操作和自动加液排液功能,操作十分简便;
→全世界高品质设备的系统集成:保证高质量,安定的性能和较长的使用寿命;
→装备威权专业气枪,增加了人性化设计和手动干燥功能;(设备亮点)
→配置两个80l的溶液清洗槽,溶液清洗槽中有一个可移动的墨水过滤网,简便维护;(设备亮点)
“PBT-1200丝网清洗机”的应用领域和影响:
●适用于清洁各种丝网,如丝网,胶网,微孔网和晶圆托盘[如下所示:]
半导体器件印刷丝网
厚膜电路屏
LCD丝网
油墨丝网
1.油墨,银浆,胶水...在丝网印刷过程中会粘在丝网孔壁上;
2.打印后,手动清洁不足以拔除网孔中的残留物,它会在空气中固化并引致网孔变形;
3.反复用到清洁不好的模版会影响脱模效用并下降印刷质量。
PBT-1200丝网印刷应用的范围和领域:
曾经有人对丝网印刷登载评论:“如果您想在地球上找到完美的印刷方式来实现印刷目的,则或许是丝网印刷方式。”丝网印刷的应用和丝网印刷的用处主要有以下几个方面:
1.PCB板生产:油墨,文字和图案的印刷;
2.纸印刷:艺术印刷广告,图画,日历,灯笼纸等;商标印刷,转移印刷,包装印刷,建材印刷,墙纸粘贴;
3.塑料印刷:塑料薄膜乙烯基玩具,书包,塑料袋;材质标准板-假金属复合材料及各种标准板;生产零件-仪器零件;
4.木制品印刷:工艺品漆器,木制工艺品,玩具;
5.金属制品印刷:金属圆筒,金属容器,金属制品;
6.玻璃和陶瓷产品的印刷:玻璃镜,玻璃板,杯子,瓶子;陶瓷容器,手工艺品;
7.标记:文字板,表盘,异形物品;
8.线路板printing:印刷电路板,民用或工业基材,厚膜集成电路板;
9. 印染:印染旗子,布,毛巾,手帕,衬衣,背心,针织品;
10.皮革制品印刷,其他印刷袋子,鞋,围兜及各种包,背包,手袋,书包。
人性化设计,一键式操作,轻松完成清洗,漂洗,烘干和自动计数的全过程。
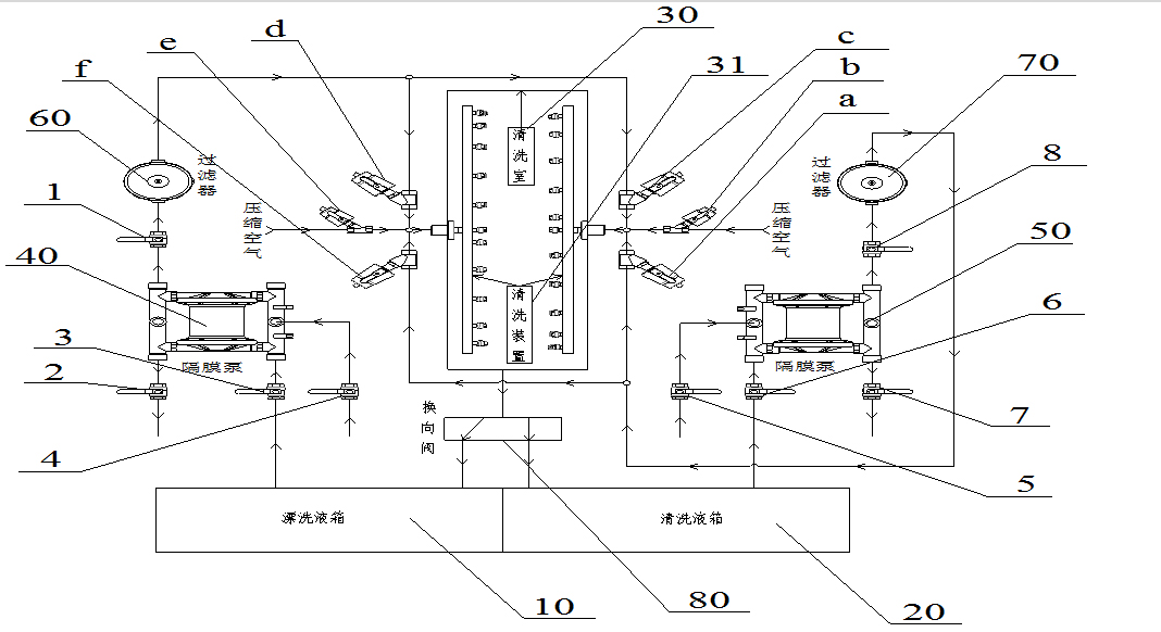
PBT-1200丝网清洗机清洗流程图:
PBT-1200全气动丝网清洗机主要参数:
65公升*2pcs
清洁区中过滤系统的八级精密过滤:冲洗区中过滤系统的七级精密过滤:
一级过滤器:1毫米(过滤器颗粒,胶带等)主过滤器:1毫米(过滤器颗粒,胶带等)
二,三,四,五,六级过滤器:200目(ink深沉物)二,三,四,五,六级过滤器:200目(ink深沉物)
七级过滤器:10μm(滤芯:墨水,银浆)七级过滤器:20μm(滤袋:墨水,银浆)
八级过滤器:10μm(过滤器元件:墨水,胶水,银浆)
双液体槽/双泵清洁循环系统(授权专利证书):





